(漫反射型和反射板型超声波传感器)UB500-18GM75-I-V15
| 【产品功能描述】 | |
| 反射式超声波传感器UB500-18GM75-I-V15的工作原理与超声波接近开关相同。声音传播测量确定传感器到反射器或测量范围内物体的距离。任何声音反射的静止物体都可以用作反射器。 | ||
| 【附件产品】 | ||
·安装附件:OMH-04 ·安装附件:BF5-30 ·安装附件:BF18 ·安装附件:BF18- | ·编程附件:UB-PROG2 ·导向板:UVW90-K18 ·电缆连接器:V15-G-2M-PVC ·电缆连接器:V15-W-2M-PVC | |
产品·特点
——三角测量传感器 (BGS) OBT300-R100-2EP-IO-V31-L产品特性——
●模拟量输出4mA...20mA ●测量窗口可调 ●声锥宽度可调 ●TEACH-IN程序输入 ●同步功能 ●接近开关关闭功能 ●温度补偿 ●盲区很小 |
|
产品·规格参数
——三角测量传感器 (BGS) OBT300-R100-2EP-IO-V31-L产品性能——
通用规格参数——
·检测范围:30...500mm
·调节范围:50...500mm
·盲区:0...30mm
·标准目标板:100mmx100mm
·换能器频率:约380kHz
·响应延时:约50ms
工作方式——
·LED黄色:黄灯常亮:物体在检测范围内;黄灯闪烁:TEACH-IN状态下检测到目标物
·LED红色:红灯常亮:出错;红灯闪烁:TEACH-IN状态下未检测到目标物
电气参数——
·工作电压:10...30VDC,纹波10%PP
·空载电流I0:≤45mA
输出——
·输出类型:1个模拟量输出4...20mA
·分辨率:最大检测距离时0.13mm
·特性曲线偏差:满量程值的±1%
·重复精度:满量程值的±0.1%
·负载阻抗:0...300Ohm
·温度漂移:满量程值的±1.5%
工作环境——
·环境温度:-25...70ºC(248...343K)
·储存温度:-40...85ºC(233...358K)
机械特性——
·防护等级:IP65
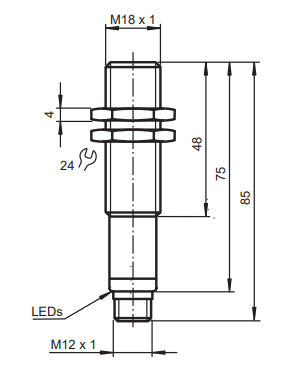
·连接方式:V15连接器(M12x1),5针
·外壳:黄铜镀镍
·换能器:环氧树脂/空心玻璃球混合物;聚氨基甲酸酯泡沫体,外壳PBT
·重量:60克

安装条件——
如果接近开关安装于环境温度可能低于0°C的现场时,就必须使用安装附件BF 18,BF 18-F或BF 5-30中的一种来固定。在使用钢螺母将接近开关直接安装在一个通孔的情况下,接近开关必须被固定在安装螺纹的中央。如果一定要固定在安装螺纹的前端,就必须使用带定位环的塑料螺母(附件)。



