(漫反射型和反射板型)超声波传感器UB1000-18GM75-U-V15
| 【产品功能描述】 | |
| 超声波传感器(UB1000-18GM75-U-V15)系列超声波接近开关是超声波物体检测的最简单形式。发射器和接收器集成在一个外壳中。超声波直接从被测物体反射到接收器。具有示教功能的超声波传感器与传统类型的不同之处在于,它们只需按一下按钮即可提供更轻松、更多样化的操作性。 | ||
| 【附件产品】 | ||
·安装附件:OMH-04 ·安装附件:BF 5-30 ·安装附件:BF 18 ·安装附件:BF 18-F ·导向板:UVW90-K | ·电缆连接器:V15-G-2M-PVC ·电缆连接器:V15-W-2M-PVC ·辅助安装件:M18K-VE ·编程附件:UB-PROG2 | |
产品·特点
——超声波传感器UB1000-18GM75-U-V15产品特性——
●模拟量0...10 V输出 ●测量窗口可调 ●可选声锥宽度 ●TEACH-IN程序输入 ●同步选项功能 ●接近开关关闭功能 ●温度补偿 ●盲区很小 |
|
产品·规格参数
——超声波传感器UB1000-18GM75-U-V15产品性能——
通用规格参数——
·检测范围:70...1000 mm
·调节范围:90...1000 mm
·盲区:0...70 mm
·标准目标板:100 mm x 100 mm
·换能器频率:约255 kHz
·响应延时:约125 ms
工作方式——
·LED黄色:黄灯常亮:物体在检测范围内;黄灯闪烁:TEACH-IN状态下检测到目标物
·LED红色:常亮:出错;红灯闪烁:TEACH-IN状态下未检测到目标物
·工作电压:15...30 V DC,纹波10%SS
·空载电流I0:≤50 mA
输出——
·输出形式:1个模拟量输出0...10 V
·分辨率:0.35 mm
·特性曲线偏差:满量程值的±1%
·重复精度:满量程值的±0.1%
·负载阻抗:>1 kOhm
·温度漂移:满量程值的±1.5%
工作环境——
·环境温度:-25...70ºC(248...343 K)
·储存温度:-40...85ºC(233...358 K)
机械特性——
·防护等级:IP65
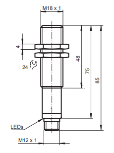
·连接方式:V15连接器(M12 x 1),5针
·外壳:黄铜镀镍
·换能器:环氧树脂/空心玻璃球混合物;聚氨基甲酸酯泡沫体
·重量:60克

安装条件:——
如果接近开关安装于环境温度可能低于0°C的现场时,就必须使用安装附件BF 18,BF 18-F或BF 5-30中的一种来固定。在使用钢螺母将接近开关直接安装在一个通孔的情况下,接近开关必须被固定在安装螺纹的中央。如果一定要固定在安装螺纹的前端,就必须使用带定位环的塑料螺母(附件)。



