taptap点点官网下载 自动化系统集成商及解决方案提供商
全国服务热线
0755-26993877
行业动态
.
联系我们

//www.fruxit.com

地址:深圳市宝安区新安街道67区甲岸科技园1号厂房1区5楼
手机:15012713703

咨询热线0755-26993877

角度传感器的工作旋转原理、应用和选择4个元素

发布时间:2023-05-11 17:49:22人气:

  一、角度传感器旋转原理


  角度传感器用于检测角度运动,由敏感元件、测量电路、智能元件和接口元件组成。其中,检测反映角位置的值是传感器的初始转换单位。传感器上有一个孔,安装时可以与大多数设备的轴相匹配。当连接到设备时,角度传感器会根据传感器指令对轴的每一次设置旋转进行计数。因为计数的次数与角度传感器的初始位置有关。所以角度传感器在初始化时,其计数值通常设置为0。当然,您仍然可以重新设置设置值范围。

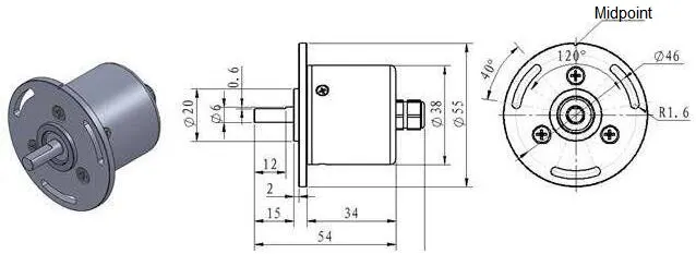
角度传感器尺寸

  二、角度传感器应用


  角度传感器是一种利用角度变化来定位物体位置的电子元件。适用于汽车、工程机械、空间装置、飞机雷达天线、注塑机、木工机械、印刷机、电子尺、机器人、工程监控、电脑控制运动器材等需要精确位移的场合的伺服系统测量。

角度传感器结构

  三、角度传感器选择4个元素


  1.高灵敏度

  2.快速频率响应

  3.宽线性范围

  4.高稳定性


  四、角度传感器类型


  1.倾角传感器

  2.角速度传感器

  3.角加速度传感器

推荐资讯

Baidu
map