二位五通电磁阀通常与双作用气动执行机构一起使用。阀体有五个气口,其中一个接气源,两个接执行机构双作用气缸,两个接排气口。双作用气动执行器是指气缸活塞的两侧都需要气压来推动活塞。当活塞一侧有压力而另一侧没有压力时,活塞会向压力低的一侧移动,气缸就会产生一个方向的推力。当有气压的活塞一侧的压力消失时,没有压力的另一侧的压力加在气源压力上,活塞向后移动,气缸产生回推力。通过反复切换活塞两端的气压,气缸产生往复运动。双作用气缸是不正常的,所以在没有压缩空气的情况下它的位置是不确定的。
普通的电磁阀和气缸怎么连接?
一种是(阀+线圈)的形式的。在这种阀上可以找到3根针。使用一个和这3根针对应的线包。给线包接上线。然后把线包连接到这3根针上即可。另一种是(阀)。这种阀上有一个粗一些的秆子。使用一个和这个秆子对应的线圈。把线圈插到这个秆子上。再固定好即可。有的线圈是自带导线的。还有一些是自带线包的。如果是线包的。那线包和第一种阀的使用方式一样。需要你另配电线。
为双作用气缸2位5通单电磁阀:
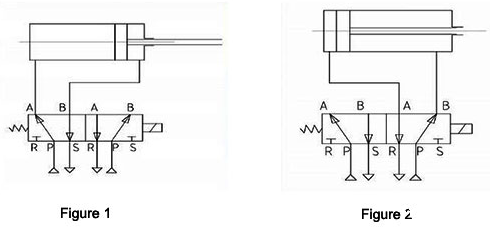
1.初始状态
的电磁阀被断开与功率和端口P和的电磁阀相连。气源通过A口进入气动活塞驱动部分的左腔,活塞停在右侧。B口与S口相连,与B口相连的气动活塞驱动部分的右腔为排气状态。参见下面的图1。
2.工作状态
电磁阀接通电源。电磁阀A口和B口相连。气源通过B口进入双作用气动活塞驱动部分的右腔,活塞向左侧移动。端口A和端口R相连。与R口相连的气动活塞驱动部分左腔为排气状态。参见下面的图2。
3、断电状态
电磁阀恢复到初始状态。

双作用气缸用2位5通双电磁阀:
左侧线圈通电时,电磁阀P口和A口相连。气源通过A口进入双作用气动活塞驱动部分一侧的腔室,使活塞移动到气缸的另一侧。端口B和端口S相连。与B口相连的气动活塞驱动部分另一侧的腔室处于排气状态。
当右侧线圈通电时,电磁阀P口和B口相连。气源通过B口进入双作用气动活塞驱动部分一侧的腔室,使活塞移动到气缸的另一侧。端口A和端口R相连。与A口相连的气动活塞驱动部分一侧的腔室处于排气状态。另一侧断电的线圈保持当前状态不变。参见下图。


