咨询热线0755-26993877
伺服电机始终是电气伺服驱动系统的一部分,该系统由伺服电机、逆变器和位置传感器组成。逆变器通常也称为电力电子、伺服控制器或简称为控制器。为了非常准确地控制位置和速度,位置传感器具有很高的精度。

如果您的项目使用微控制器,控制伺服的最简单方法是使用MCU本身。在线提供了大量示例,您可以从许多不同的库中进行选择,这些库会将特定角度转换为正确的脉冲持续时间。

因此,在无刷直流电机控制器电路图中,这看起来像是两个或三个半桥(取决于相数),每个半桥都有一对开关。让我们仔细看看带有霍尔效应传感器的三相无刷直流电机控制器,了解其电路设计的基本原理。

嵌入式系统是内置在另一个设备中执行特定任务的计算机。集成电路是一种集成在单个芯片上的微型电子电路。每一个都作为自己独特的设备发挥作用,具有不同的优势和用途。

伺服电机和驱动器是机器自动化中非常有用的组件。与标准感应电机不同,它们提供最高水平的准确度和精确度;这是系统工作中的一个有用标准。使用标准感应电机无法实现点对点精度。

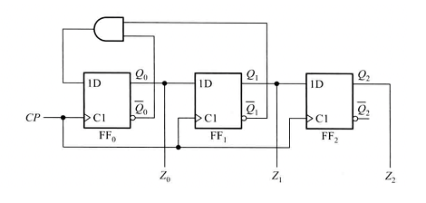
同步和异步时序电路都是使用反馈来产生下一代输出的时序电路。根据这种反馈的类型,可以区分这两种电路。时序电路的输出取决于当前和过去的输入。时序电路分为同步时序电路和异步时序电路是根据它们的触发器来完成的...

光学编码器是一种机电设备,可检测位置和运动并通过数字信号传递该信息。它通过LED灯、光电传感器和编码轮形成脉冲信号。如果您正在经营一个行业并且正在寻找零件,那么找到最适合您需求的光学编码器可能会让人感...

在安装医用氧气减压阀之前,需要确定它的位置。这通常需要在病房或实验室等地方进行,确保减压阀不会受到其他设备或物品的影响。在确定安装位置时,需要考虑到减压阀的进出气路和大小,以及病房或实验室的空间大小和...

医用氧气减压阀通常由阀门、压力表和连接管组成。阀门内部有一个球形垫,压力表连接在阀门上,连接管连接在压力表和氧气罐之间。当打开阀门,球形垫下面的气体会膨胀,压力会下降,从而减小氧气罐内的压力。

医用氧气减压阀是医疗领域中至关重要的装置,可以控制氧气的压力,确保患者得到适当的治疗和监护。调节医用氧气减压阀的方法也非常重要,可以确保患者得到最佳的治疗效果。
