咨询热线0755-26993877
超小型槽型光耦通常由一个发射器和一个接收器组成,中间通过光纤或光学介质相连。发射器将电信号转化为光信号,光信号通过光学介质传输到接收器,再由接收器将光信号转化为电信号。通过这种方式,超小型槽型光耦实现...

槽型光耦传感器作为一种重要的光电传感器,具有广泛的应用领域。本文将重点探讨槽型光耦传感器的工作原理、特点以及其在工业自动化、医疗设备、交通运输等领域的应用。

国产光耦继电器和进口光耦继电器的区别主要表现在以下几个方面:(1)生产技术方面的区别:虽然国产光耦继电器和进口光耦继电器都采用了相似的生产技术,但在某些细节方面,如制造工艺、材料选择等方面仍存在一定的...

光耦直接驱动继电器是一种将光信号转换为电信号,实现对继电器进行直接驱动的装置。其主要作用如下

在现代化的工业生产和质量控制中,光耦控制继电器正发挥着越来越重要的作用。这种独特的控制元件基于光耦合技术,具有优秀的电气隔离性能和高速响应能力,因此在许多关键场合中展现出显著的优势。

光耦控制继电器电路关键在于利用光耦合器(光耦)对继电器电路进行控制,从而实现高电压、低电流电路与低电压、高电流电路之间的隔离,保护电路安全。本文将详细介绍光耦控制继电器电路的原理及应用。

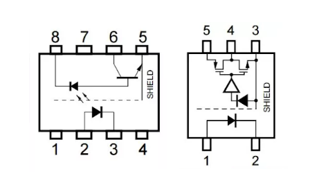
光耦继电器的工作原理是当输入端存在一定强度的电流时,光耦继电器的发光二极管会发光,使得光敏三极管导通,进而控制开关的通断。光耦继电器通常采用光电效应原理,即利用光的传播速度远快于电的传播速度的特点

光耦继电器模块是一种重要的电气控制元件,它在许多工业和自动化控制系统中发挥着关键作用。通过光电隔离和继电器接点输出,光耦继电器模块能够有效地隔离高低电压,提高系统的可靠性和安全性。

值2023年中秋国庆双节来临之际,根据国家规定与结合我司实际情况,为方便大家提前安排好工作和假期,现将2023年中秋国庆放假安排如下: 2023年9月29日(周五)-10月6日(周五)放假8天。 调班...

光耦继电器电路的工作原理是利用光耦合器将输入的光信号转换为电信号,然后再通过继电器控制电路的通断状态。这种电路通常由光源、光耦合器、光接收器、放大器和继电器等组成。
